中国石化获得发明专利授权:“一种生产高等级针状焦原料的方法”
作者:小微
发表于:2025年06月11日
浏览量:64760

图片来源于网络,如有侵权,请联系删除
证券之星消息,根据天眼查APP数据显示中国石化(600028)新获得一项发明专利授权,专利名为“一种生产高等级针状焦原料的方法”,专利申请号为CN202310330948.2,授权日为2025年6月10日。
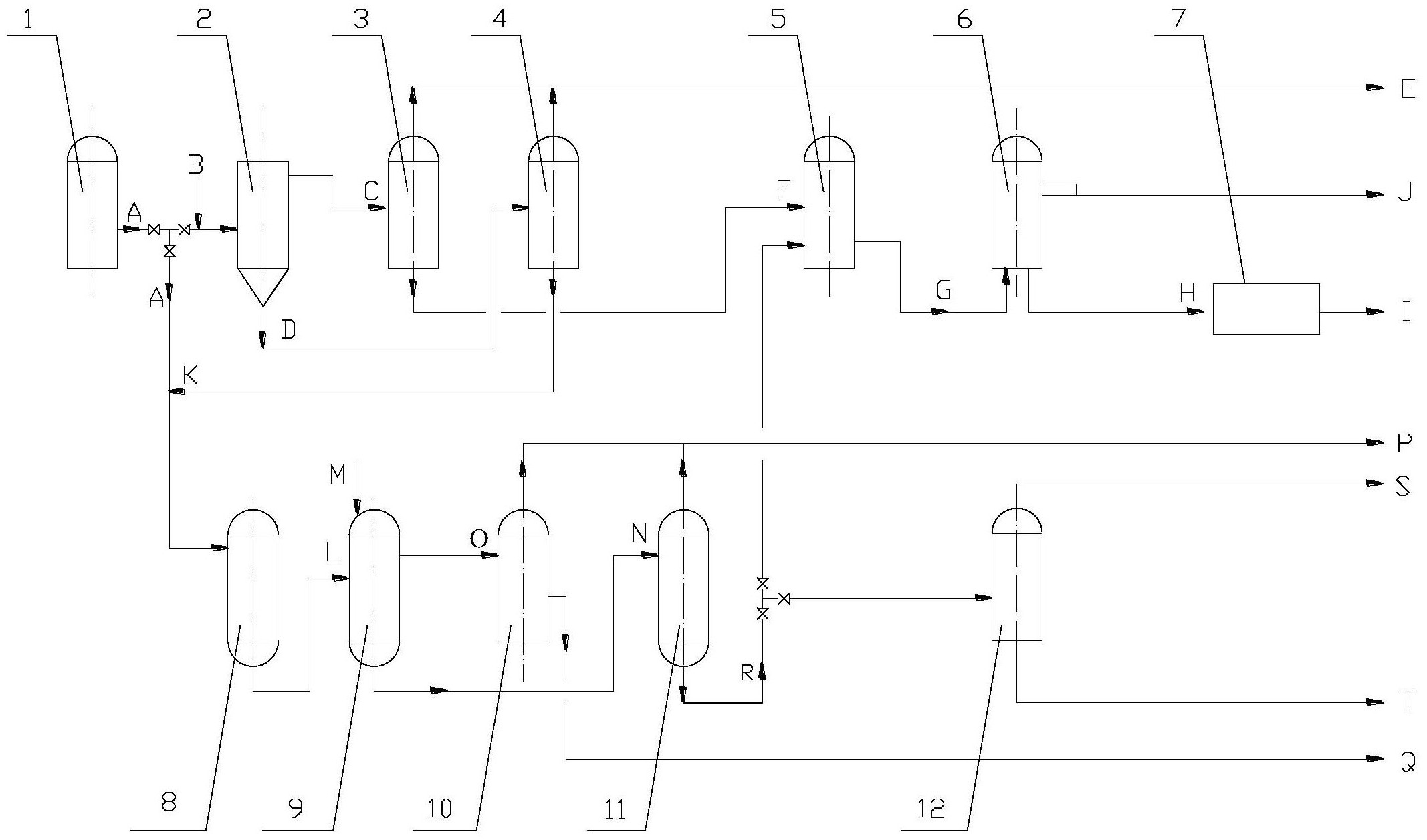
专利摘要:一种生产高等级针状焦原料的方法,本发明将来自渣油加氢装置的加氢柴油和来自催化裂化装置的催化柴油进入热缩聚装置进行热缩聚反应,得到热缩聚产物,将切割所得热缩聚产物重组分与过滤后催化裂化油浆混合,该混合物为生产高等级针状焦原料。本发明将加氢柴油和催化柴油进行适度热缩聚,获得了低硫的稠环芳烃,不仅解决了柴油出路问题,还提供了更优质的针状焦原料。

图片来源于网络,如有侵权,请联系删除
今年以来中国石化新获得专利授权1385个,较去年同期减少了45.19%。结合公司2024年年报财务数据,2024年公司在研发方面投入了152.15亿元,同比增8.92%。

图片来源于网络,如有侵权,请联系删除
数据来源:天眼查APP
以上内容为证券之星据公开信息整理,由AI算法生成(网信算备310104345710301240019号),不构成投资建议。
