芯导科技获得发明专利授权:“电荷泵预充电电路及电子设备”
作者:小微
发表于:2025年07月22日
浏览量:66440

图片来源于网络,如有侵权,请联系删除
证券之星消息,根据天眼查APP数据显示芯导科技(688230)新获得一项发明专利授权,专利名为“电荷泵预充电电路及电子设备”,专利申请号为CN202310927841.6,授权日为2025年7月22日。
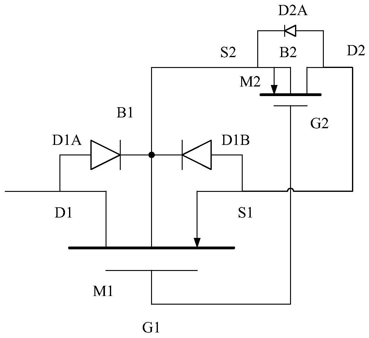
专利摘要:本发明提供了一种电荷泵预充电电路及电子设备,其功率管单元包括电性连接的第一、第二、第三及第四开关管,第一开关管接一供电电压,并通过二极管耦接自举电容,自举电容分别耦接第二开关管以及飞跨电容,飞跨电容分别耦接第四开关管以及预充电电路,第四开关管接地,第二开关管的一端分别耦接电荷泵的输出端以及输出电容;预充电电路中,第五开关管通过限流电阻耦接飞跨电容,其另一端接地,保护模块以及插入检测模块均耦接电荷泵的输出端;从而在设备接入所述电荷泵时,控制第五开关管在设定时长内导通,利用电池向飞跨电容充电,简化了预充电的电路,从而本发明可以在不需要外部器件确认是否预充电完成的情况下,快速的对电荷泵进行预充电。
今年以来芯导科技新获得专利授权7个,较去年同期增加了16.67%。结合公司2024年年报财务数据,2024年公司在研发方面投入了3535.02万元,同比减18.12%。
通过天眼查大数据分析,上海芯导电子科技股份有限公司共对外投资了3家企业,参与招投标项目3次;财产线索方面有商标信息7条,专利信息127条,著作权信息1条;此外企业还拥有行政许可5个。
数据来源:天眼查APP
以上内容为证券之星据公开信息整理,由AI算法生成(网信算备310104345710301240019号),不构成投资建议。
