三一重能获得发明专利授权:“变频器设计方法、装置、设备及风机变桨减速机测试台”
作者:小微
发表于:2025年07月23日
浏览量:65821

图片来源于网络,如有侵权,请联系删除
证券之星消息,根据天眼查APP数据显示三一重能(688349)新获得一项发明专利授权,专利名为“变频器设计方法、装置、设备及风机变桨减速机测试台”,专利申请号为CN202211340536.9,授权日为2025年7月22日。
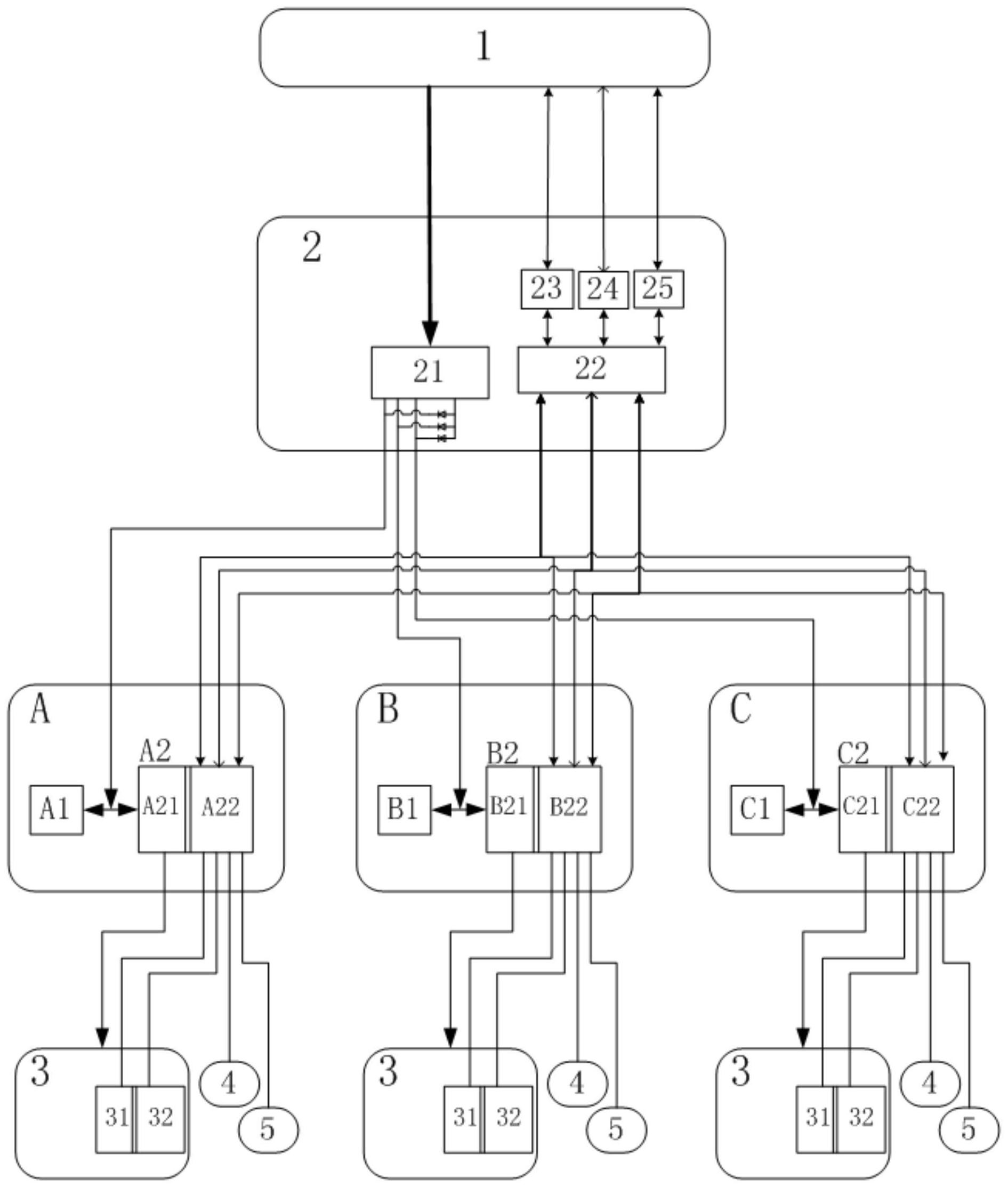
专利摘要:本发明提供了一种变频器设计方法、装置、设备及风机变桨减速机测试台,其中,变频器设计方法包括:获取不同风况下的风力数据、目标风机的载荷数据、独立变桨控制逻辑以及目标风机内齿轮箱的机械参数;基于不同风况下的风力数据、目标风机的载荷数据和独立变桨控制逻辑,进行载荷步计算,得到载荷步结果;基于载荷步结果和齿轮箱的机械参数进行目标电机选配,并确定目标电机的转动惯量;基于载荷步结果、齿轮箱的机械参数以及目标电机的转动惯量对目标变频器进行设计,确定目标变频器。在满足常规测试的基础上,保证目标变频器可进行稳定长时间工作,为后续指导风机变桨减速机的运行奠定坚实试验和数据基础。

图片来源于网络,如有侵权,请联系删除
今年以来三一重能新获得专利授权47个,较去年同期增加了42.42%。结合公司2024年年报财务数据,2024年公司在研发方面投入了7.77亿元,同比减10.88%。
通过天眼查大数据分析,三一重能股份有限公司共对外投资了201家企业,参与招投标项目1037次;财产线索方面有商标信息2条,专利信息1268条,著作权信息278条;此外企业还拥有行政许可228个。
数据来源:天眼查APP
以上内容为证券之星据公开信息整理,由AI算法生成(网信算备310104345710301240019号),不构成投资建议。
