鼎智科技获得实用新型专利授权:“转子铁芯结构和轴向电机”
作者:小微
发表于:2025年08月08日
浏览量:49525

图片来源于网络,如有侵权,请联系删除
证券之星消息,根据天眼查APP数据显示鼎智科技(873593)新获得一项实用新型专利授权,专利名为“转子铁芯结构和轴向电机”,专利申请号为CN202422212725.9,授权日为2025年8月8日。
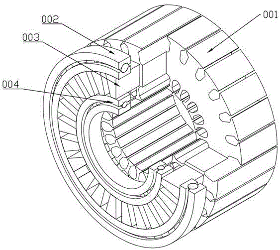
专利摘要:本实用新型提供一种转子铁芯结构,包括:转子盖;转子铁芯;其中,转子铁芯和转子盖通过嵌件压铸彼此固定连接在一起。本实用新型还提出一种轴向电机,包括如前所述的转子铁芯结构。本实用新型提出将转子盖与转子铁芯通过嵌件压铸的方式固定连接在一起,有效地避免了现有技术中因胶水粘接带来的转子铁芯脱落的风险。而且,通过将转子铁芯一体压铸为单个部件,进一步简化了结构,整体性高、适应性强、且能更好地控制转子盖与转子铁芯之间配合面的平面度,提升轴向电机性能。

图片来源于网络,如有侵权,请联系删除
今年以来鼎智科技新获得专利授权15个,较去年同期减少了21.05%。结合公司2024年年报财务数据,2024年公司在研发方面投入了2440.15万元,同比增10.79%。
通过天眼查大数据分析,江苏鼎智智能控制科技股份有限公司共对外投资了10家企业,参与招投标项目18次;财产线索方面有商标信息8条,专利信息165条,著作权信息4条;此外企业还拥有行政许可28个。
数据来源:天眼查APP
以上内容为证券之星据公开信息整理,由AI算法生成(网信算备310104345710301240019号),不构成投资建议。
