中国石化获得实用新型专利授权:“一种施工现场电气试验用移动直流电源”
作者:小微
发表于:2026年03月03日
浏览量:59896

图片来源于网络,如有侵权,请联系删除
证券之星消息,根据天眼查APP数据显示中国石化(600028)新获得一项实用新型专利授权,专利名为“一种施工现场电气试验用移动直流电源”,专利申请号为CN202520505491.9,授权日为2026年3月3日。
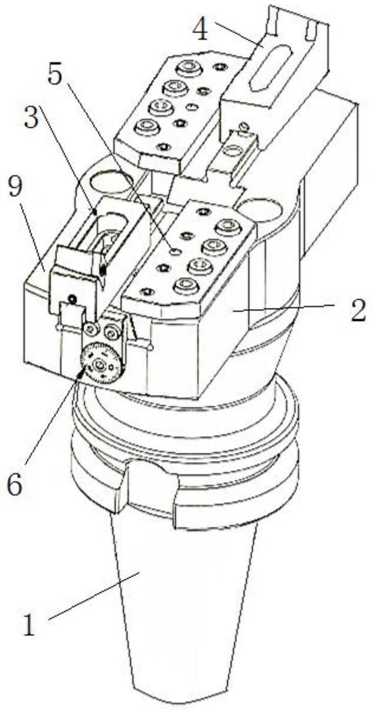
专利摘要:一种施工现场电气试验用移动直流电源,包括卷线轮毂架(1),卷线轮毂架(1)上缠绕有电源线(2),其特征在于卷线轮毂架(1)中部设置有电器安装模组(3),电器安装模组(3)上设置有一组直流输出端子(4)、直流电压表(5)、直流空气开关(6)、整流模块(7)和交流空气开关(8);优点是:通过整合卷线轮毂架和高效整流模块,本实用新型简化了电气试验的电源供应流程,减少了线缆整理和电源转换的时间,从而提高了工作效率。

图片来源于网络,如有侵权,请联系删除
今年以来中国石化新获得专利授权825个,较去年同期增加了64.67%。结合公司2025年中报财务数据,2025上半年公司在研发方面投入了61.86亿元,同比增3.05%。
通过天眼查大数据分析,中国石化销售股份有限公司广东珠海东兴加油站参与招投标项目4次;此外企业还拥有行政许可8个。
数据来源:天眼查APP
以上内容为证券之星据公开信息整理,由AI算法生成(网信算备310104345710301240019号),不构成投资建议。
