拓普集团获得实用新型专利授权:“一种小口径直动电磁阀”
作者:小微
发表于:2026年03月10日
浏览量:70520

图片来源于网络,如有侵权,请联系删除
证券之星消息,根据天眼查APP数据显示拓普集团(601689)新获得一项实用新型专利授权,专利名为“一种小口径直动电磁阀”,专利申请号为CN202521270565.1,授权日为2026年3月10日。
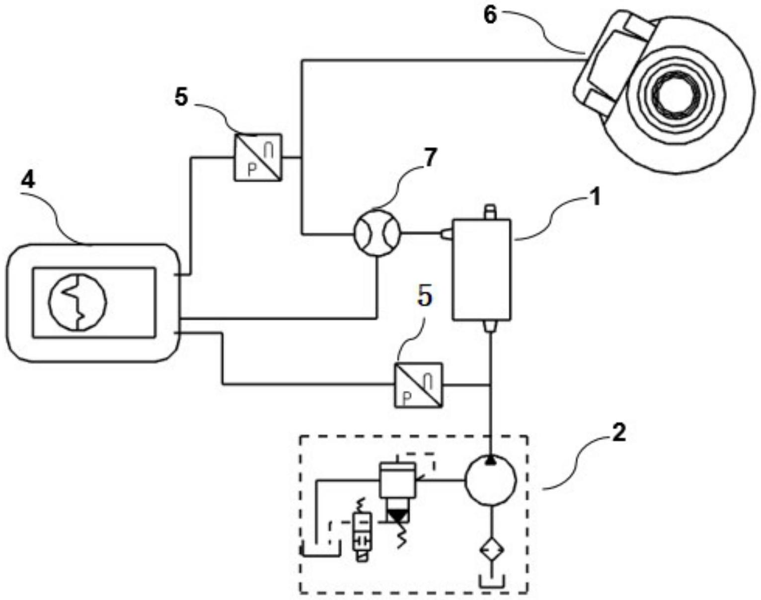
专利摘要:本实用新型涉及电磁阀的技术领域,特别是涉及一种小口径直动电磁阀,其实现体积小,响应快,成本低的效果;包括阀盖和阀底座,阀盖安装在阀底座上部;还包括动铁芯、静铁芯、阀针、回复弹簧和密封胶垫,动铁芯上下滑动安装在阀盖内部,静铁芯固定安装在阀盖内,阀盖与静铁芯之间配合形成有供阀针活动的空间,阀底座侧边设置有进气口,阀底座底端设置有出气口与小排气口,阀盖外部安装线圈组件,静铁芯下端设置有圆孔台,阀盖与静铁芯之间安装有阀针与回复弹簧,密封胶垫设置在阀针下部。

图片来源于网络,如有侵权,请联系删除
今年以来拓普集团新获得专利授权25个,较去年同期减少了10.71%。结合公司2025年中报财务数据,2025上半年公司在研发方面投入了7.05亿元,同比增32.21%。

图片来源于网络,如有侵权,请联系删除
通过天眼查大数据分析,宁波拓普集团股份有限公司共对外投资了49家企业,参与招投标项目28次;财产线索方面有商标信息23条,专利信息1036条,著作权信息80条;此外企业还拥有行政许可41个。
数据来源:天眼查APP
以上内容为证券之星据公开信息整理,由AI算法生成(网信算备310104345710301240019号),不构成投资建议。
